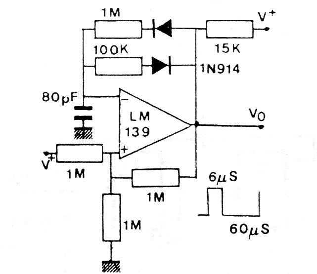
Este circuito genera un pulso de ciclo activo programado. Los diodos son de uso general y los resistores junto a estos componentes determinan el ciclo activo de la señal. Los valores mostrados en el pulso son para los componentes usados. La fuente puede tener tensiones entre 3 y 15 V.




