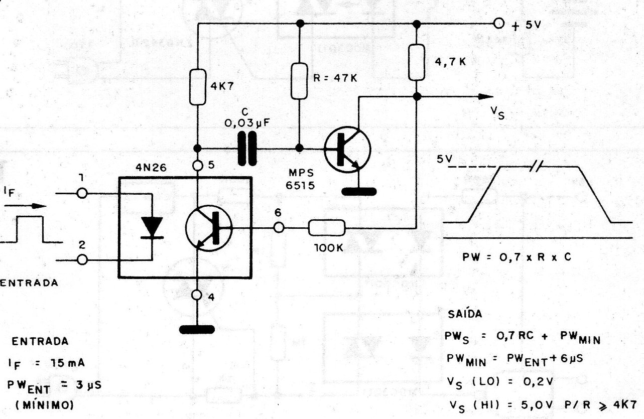
Este interesante circuito sugerido por Motorola aumenta la duración de un pulso producido a partir del estímulo aplicado a un optoacoplador. La duración del pulso (PuIse Width PW) viene dada por la expresión:
PW = 0,7 x R x C
Con los valores indicados en el diagrama, un pulso de 3 us de duración en el emisor y 15 mA de intensidad, dispara el circuito. El pulso de salida tiene un ancho de 0,7 x R x C + PW1 + 6 us, donde PW1 es el ancho del pulso de entrada y 6 us es el retardo que ocurre en la acción del acoplador óptico. La amplitud del pulso de salida será en función de la tensión de alimentación e independiente de las características de la señal de entrada. El MPS6515 es un transistor de baja potencia de conmutación que puede sustituirse por equivalentes.




