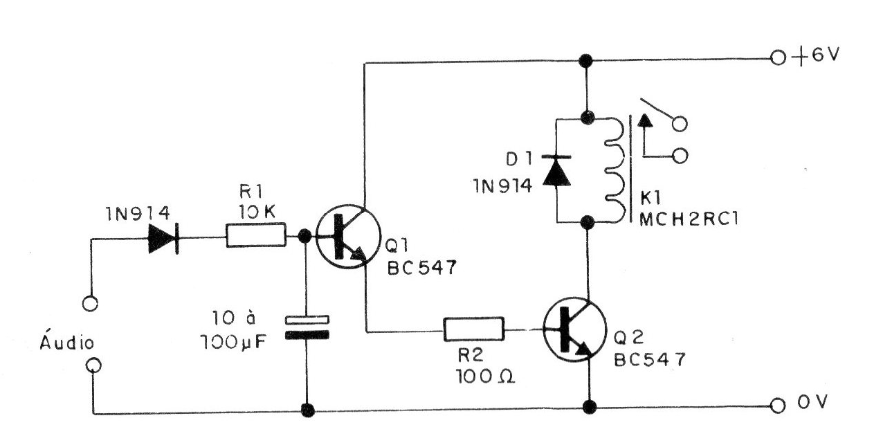
Este circuito se puede utilizar para accionar un relé desde un tono de audio. El tono puede ser, por ejemplo, pulsos de un control PWM, sin importar su frecuencia. El relé es del tipo sensible para 6 V. El capacitor debe elegirse de acuerdo con la aplicación.




