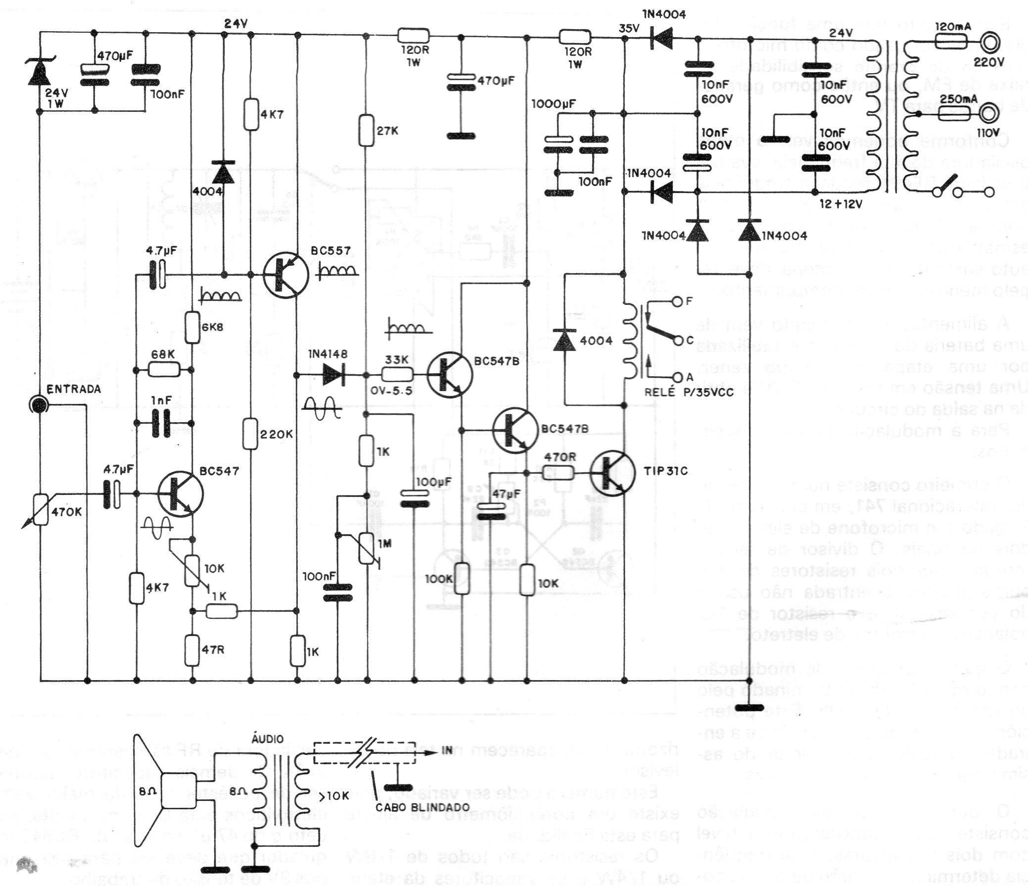
Este circuito de activación de carga por ruido ambiental se obtuvo en una publicación de 1987. El circuito tiene ajustes de sensibilidad en dos potenciómetros y el relé es del tipo sensible a 24 V. El transformador tiene una corriente de al menos 150 mA y se puede utilizar un pequeño altavoz como micrófono, conectado a un transformador de salida de transistores para un mejor casamiento de impedancias.




