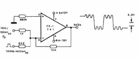
Este circuito combina dos señales, siendo un rectangular de 100 Hz y otro senoidal de 1 kHz. Podemos usarlo para combinar la señal rectangular de un Arduino u otro microcontrolador con una señal externa, o incluso otra señal digital de otra salida del microcontrolador. La fuente de alimentación debe ser simétrica y los amplificadores operacionales equivalentes se pueden emplear. En la entrada se pueden añadir otras señales, teniendo en cuenta la amplitud, y su acción dada por los valores de los resistores en serie. Recuerde que el circuito no funciona con señales más allá de unos 100 kHz. Basándose en la teoría de Fourier podemos agregar más entradas y generar señales de formas de onda complejas a partir de un microcontrolador.




