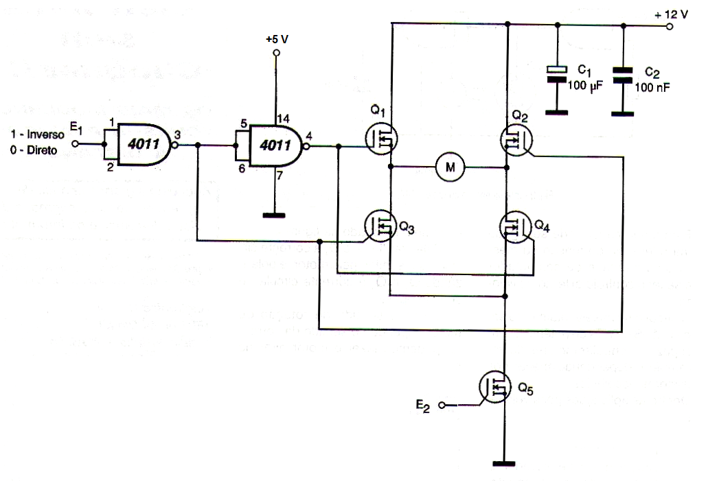
Este circuito es una variación del anterior, contando con una entrada de control PWM que debe tener señales de por lo menos 5 V. Si hay dificultad de excitación con el microcontrolador usado y el MOSFET elegido se debe utilizar un paso adicional alimentado por 12 V con uno transistor bipolar, por ejemplo. Esto también es válido para la salida del CI de control de sentido de giro.




