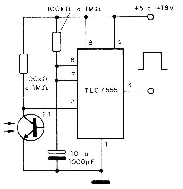
En la figura tenemos el disparo hecho por un haz de luz interrumpido usando como sensor un foto-transistor o aún un fotodiodo. En los dos casos tenemos la operación monoestable, con un consumo extremadamente bajo de energía en la condición de espera, cuando la bobina del relé o la carga están desactivadas.




