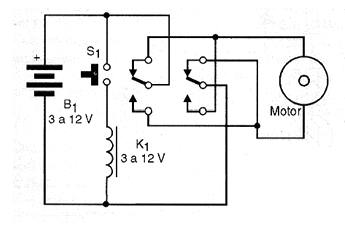
El circuito mostrado en la figura invierte el sentido de rotación de un motor mientras se presiona el interruptor S1. Vea que S1 puede ser tanto un interruptor de presión como un sensor de cualquier tipo (reed-switch, llave de fin de carrera, sensor de tacto, etc.). El relé usado debe tener la misma tensión usada en la alimentación del motor en este circuito, pero nada impide que el relé sea alimentado por un circuito externo de control. Si es necesario utilizar un capacitor para amortiguar los transitorios debido a la conmutación del motor, debe ser conectado en paralelo con la alimentación. Este circuito se puede combinar con otros mostrados en este artículo para obtener un comportamiento más complejo del sistema. El circuito se puede utilizar como shield que viene del mando del relé por la salida de un microcontrolador.




