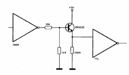
En la figura siguiente tenemos la manera más correcta de conectar un circuito lógico CMOS alimentado por tensiones de 5 a 12 V con un circuito TTL, por ejemplo la entrada de un microcontrolador, alimentado por 5 V. Observe que la etapa de acoplamiento es alimentada por los pasos 5 V del circuito TTL.




