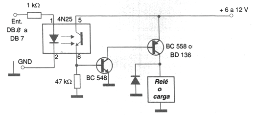
Para controlar relés de forma segura con un doble aislamiento por el puerto paralelo, sugerimos el circuito de la figura. El aislador óptico aísla el circuito del microprocesador o del PC del circuito de accionamiento de los relés, que puede funcionar con una tensión diferente de 5 V. En realidad, con el uso de relés de 12 V es posible obtener un mejor rendimiento. Los relés de 12 V son más fáciles de obtener, más sensibles y con ello pueden facilitar el montaje de la interfaz. La resistencia R1 debe tener su valor elegido de acuerdo con el tipo de acoplador óptico empleado para obtener el punto ideal de disparo con la señal de la puerta en el nivel alto. Una posibilidad para encontrar el mejor valor, consiste en usar en el desarrollo del proyecto un trimpot y luego sustituirlo por un resistor fijo. Teniendo en cuenta que los relés de 12 V comunes se especifican para una corriente de 50 mA, la fuente debe ser dimensionada previendo el instante en que todos ellos estén accionados. Por lo tanto, para una interfaz en la que se utilizan las 8 salidas del puerto paralelo, la fuente debe ser capaz de proporcionar los 400 mA requeridos.




