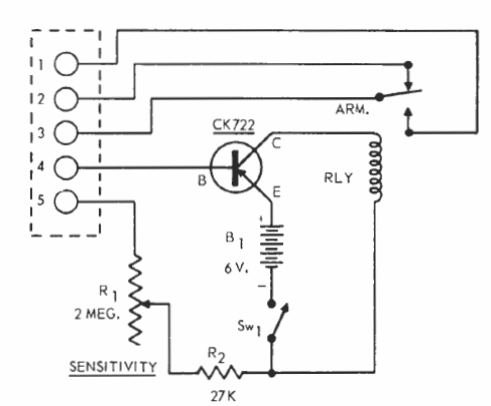
Este montaje es de 1957 de un manual de Raytheon, pero puede ser modernizado con el uso de un BC548, alimentación de 6 V y relés de 100 mA comunes.

Este montaje es de 1957 de un manual de Raytheon, pero puede ser modernizado con el uso de un BC548, alimentación de 6 V y relés de 100 mA comunes.
