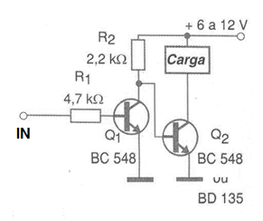
La configuración mostrada en la figura utiliza dos transistores NPN activando la carga cuando la entrada va al nivel bajo (0 V). También podemos utilizar un transistor de mayor potencia para Q2, controlando así cargas de mayor potencia directamente. Sin embargo, observamos que esta configuración no está aislada, como las anteriores. Para transistores de mayor potencia se debe considerar la necesidad de usar disipadores de calor. En este caso, la alimentación del sector de potencia también puede ser hecha con tensión diferente de 5 V.




