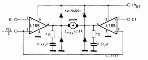
Encontramos este circuito en el manual de circuitos integrados de la SGS de 1982. El circuito es compatible con la lógica TTL y CMOS aplicada a las entradas E1 y E2. Vs2 debe ser mayor que Vs1 y la corriente máxima del motor es de 3 A con control bidireccional. Este circuito se puede utilizar como escudo para microcontroladores.




