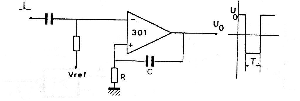
Esta configuración de monoestable con operacional se obtuvo en una documentación de los años 80. La fuente debe ser simétrica y el resistor de ref tiene valores típicos alrededor de 10 k. Operacionales equivalentes se pueden utilizar y la alimentación debe ser simétrica. R y C determinan la duración del pulso de salida.




