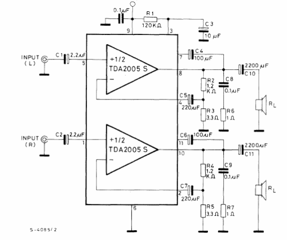
Este amplificador para uso automotriz fue encontrado en el manual de circuitos integrados lineales de la SGS de 1982. El circuito puede ser alimentado por tensiones hasta 18 V y la carga y de 2 a 16 ohmios. La potencia depende de la carga y el circuito integrado debe estar dotado de radiador de calor.




