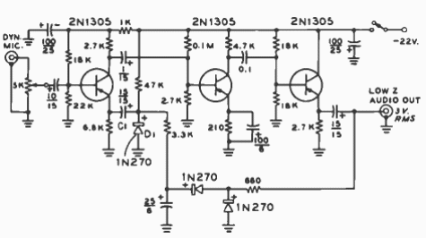
Este circuito es de una documentación de 1976, pero puede ser implementado con transistores equivalentes modernos. El circuito está indicado para micrófonos dinámico y tiene por finalidad cortar los picos de audio que pueden causar sobremodulación en un transmisor. La salida es de baja impedancia con 3 V rms de señal.




