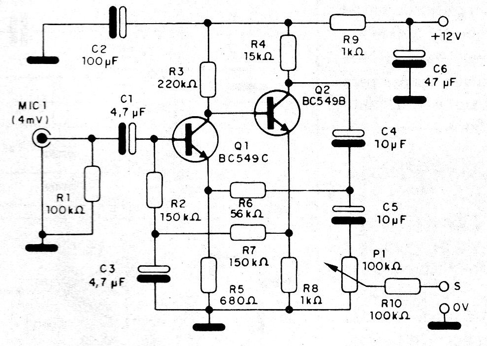
Este circuito utiliza sólo dos transistores, siendo el primero de bajo ruido, siendo indicado para micrófonos dinámicos. El consumo es muy bajo, del orden de 1 a 2 mA, y el máximo cuidado debe ser tomado con el diseño de la placa y blindaje de los cables de señal.




