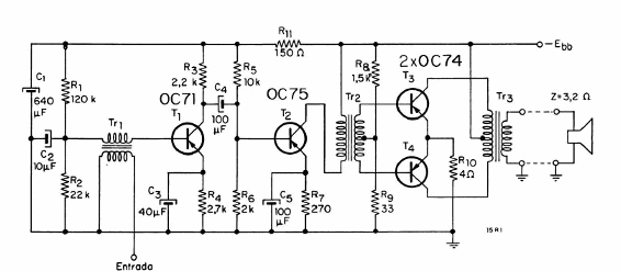
Este amplificador fue encontrado en una Revista Electrónica número 1 de 1964 y tiene una potencia en torno a 1 W. Los componentes críticos son los transformadores que se pueden encontrar en radios, amplificadores y grabadores de la época.

Este amplificador fue encontrado en una Revista Electrónica número 1 de 1964 y tiene una potencia en torno a 1 W. Los componentes críticos son los transformadores que se pueden encontrar en radios, amplificadores y grabadores de la época.
