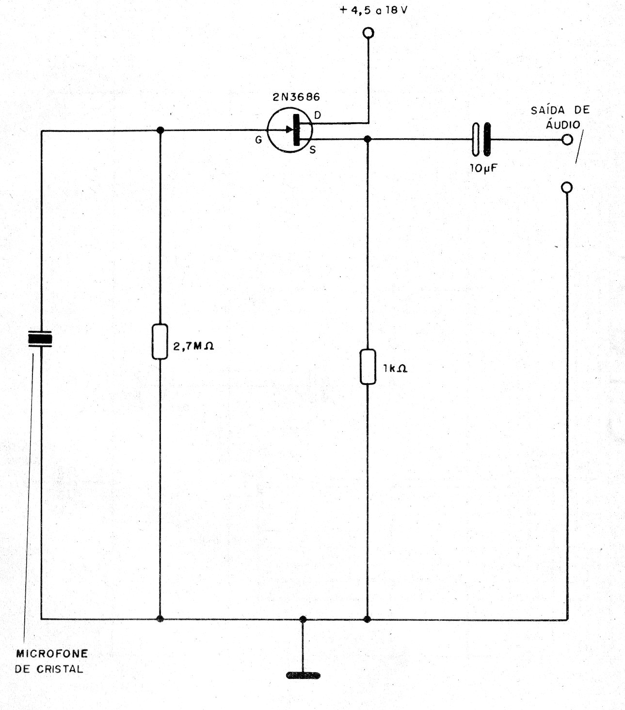
Este circuito, en realidad, consiste en un preamplificador para micrófonos de alta impedancia. El circuito utiliza un FET y tiene una excelente ganancia, proporcionando una señal de baja impedancia. Encontramos esta configuración en una documentación de 1993.
Adaptador de Impedancia (CIR1950S)
Este circuito, en realidad, consiste en un preamplificador para micrófonos de alta impedancia. El circuito utiliza un FET y tiene una excelente ganancia, proporcionando una señal de baja impedancia. Encontramos esta configuración en una documentación de 1993.




