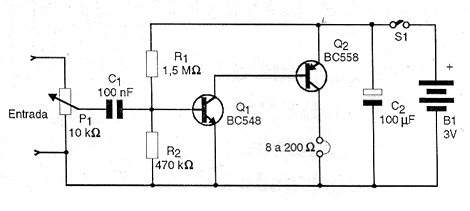
Podemos utilizar este amplificador con auriculares o teléfonos de baja impedancia con buen rendimiento. Las aplicaciones posibles para este circuito van desde seguidores de señales y radios experimentales hasta un estetoscopio simple. Los resistores son de 1/8 W y la alimentación se puede hacer con sólo dos pilas pequeñas.




