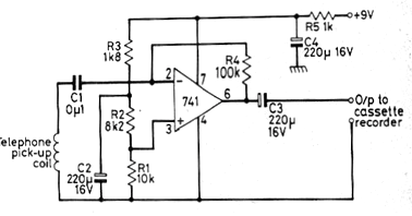
Este circuito apareció en una Practical Electronics de noviembre de 1982. La revista ya no existe, pero el circuito es viable pues todos los componentes son comunes. La alimentación viene de una batería de 9 V. Lo que este circuito hace es amplificar la señal de una bobina captadora colocada junto al teléfono y aplicarla en un grabador, amplificador o en el PC para grabación en CD u otro medio. La ganancia es dada por R4 que puede ser alterado.




