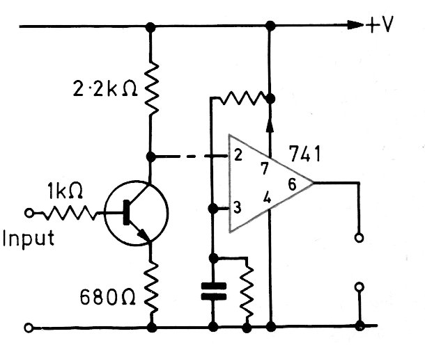
En el diagrama mostramos cómo acoplar un transistor de uso general, que puede ser el BC547, BC548 o BC549 a un amplificador operacional como el 741. El circuito fue obtenido en un antiguo manual de circuitos integrados lineales y vale para otros tipos de operacional. En este circuito el acoplamiento es por colector.




