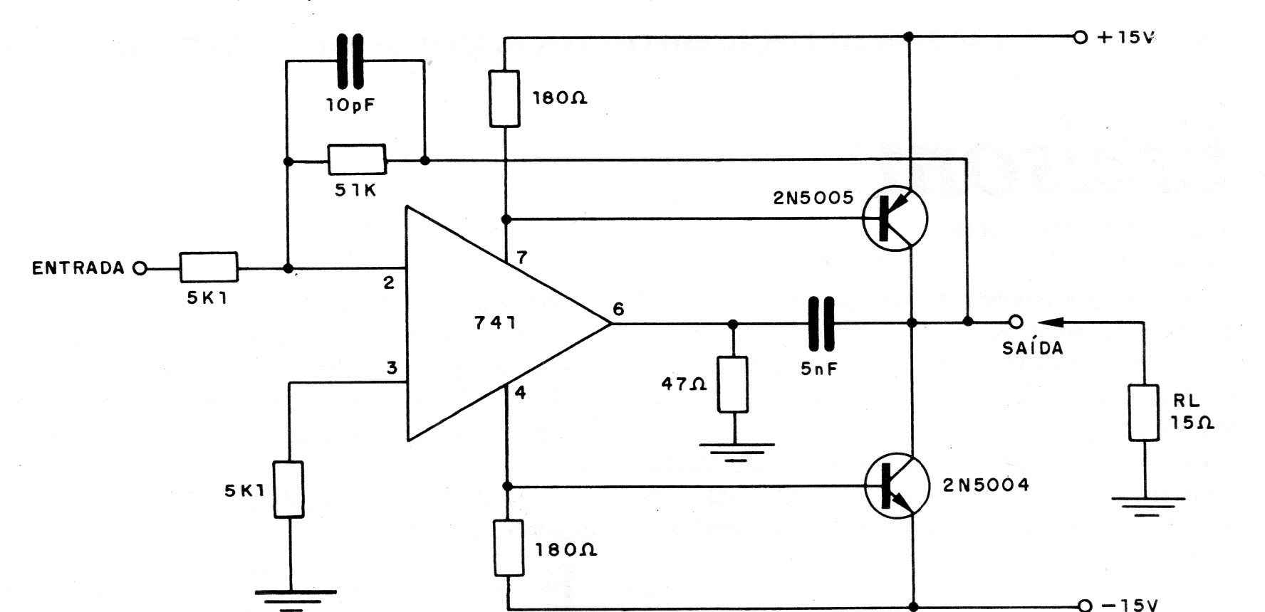
Una manera de obtener una salida de potencia para un operario es con una etapa de potencia con transistores, como se muestra en este circuito de 1985. Los transistores de salida de esa época pueden ser sustituidos por los equivalentes modernos BD135 y BD136. La fuente debe ser simétrica.




