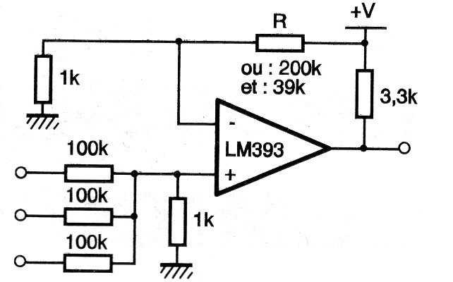
En la figura tenemos el modo de implementar un puerta lógica o (OR) con un LM393. El circuito debe ser alimentado por una fuente simétrica y otros operacionales pueden ser empleados.
Puerta O con Operacional (CIR5163S)
En la figura tenemos el modo de implementar un puerta lógica o (OR) con un LM393. El circuito debe ser alimentado por una fuente simétrica y otros operacionales pueden ser empleados.




