Este circuito puede ser implementado con amplificadores operacionales más modernos como el 741 y su frecuencia máxima está alrededor de 100 kHz, determinada por C1. El circuito no requiere fuente simétrica, pudiendo trabajar con tensiones mayores. La salida es rectangular y los resistores de 24 k pueden ser de 27k que es el valor actual estandarizado más cercano.

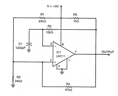
Astable Libre con Operacional (CIR5076S)
Este circuito puede ser implementado con amplificadores operacionales más modernos como el 741 y su frecuencia máxima está alrededor de 100 kHz, determinada por C1. El circuito no requiere fuente simétrica, pudiendo trabajar con tensiones mayores. La salida es rectangular y los resistores de 24 k pueden ser de 27k que es el valor actual estandarizado más cercano.




