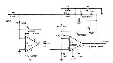
Los amplificadores operativos utilizados en este circuito de Motorola de los años 70 no son más comunes, pero la configuración puede ser elaborada con componentes más modernos, como los amplificadores 741. Con eso, la alimentación también podrá ser hecha por una fuente simétrica de menor tensión. D3 y D4 son diodos zener de 7,5 V y los demás diodos pueden ser de uso general como los 1N4148. Para menores tensiones de alimentación, los zeners deben ser alterados.




