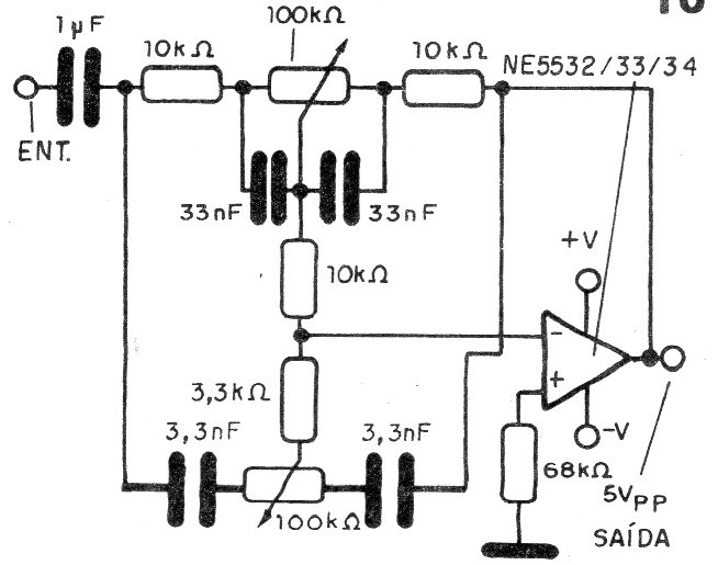
Este circuito es de una documentación de 1992. En él tenemos el modo de implementar un control Baxandall usando un amplificador operacional. La alimentación del circuito debe realizarse con una fuente simétrica. Operacionales como el 741 pueden ser utilizados.




