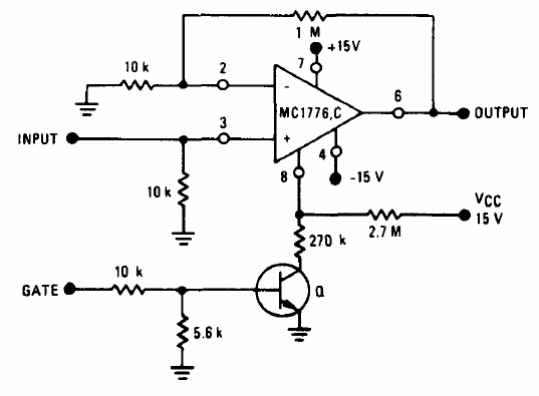
Encontramos este circuito en el LinearDatabook de Motorola de 1990. El circuito puede ser implementado con otros operacionales equivalentes que posean entrada de control. Consulte el datasheet del producto original para obtener más información.

Encontramos este circuito en el LinearDatabook de Motorola de 1990. El circuito puede ser implementado con otros operacionales equivalentes que posean entrada de control. Consulte el datasheet del producto original para obtener más información.
