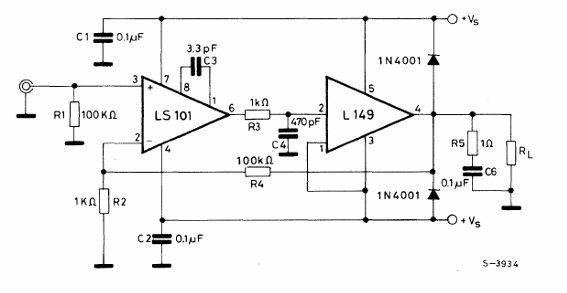
Los componentes utilizados en esta configuración no son muy comunes actualmente. El circuito es del manual de circuitos integrados lineales de la SGS de 1982. La fuente de alimentación debe ser simétrica. La ganancia del circuito es de 40 dB.

Los componentes utilizados en esta configuración no son muy comunes actualmente. El circuito es del manual de circuitos integrados lineales de la SGS de 1982. La fuente de alimentación debe ser simétrica. La ganancia del circuito es de 40 dB.
