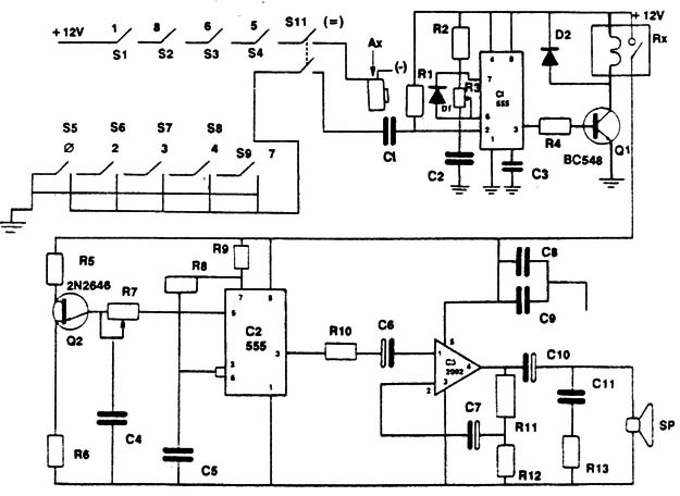
Aunque ei principio de funcionamiento es básico, funciona bien y demuestra como el ingenio puede superar escolios. Funciona de la siguiente manera: si se introduce la clave correcta (en este caso 1865, el ano de la teoría de Maxwel) se conectan esas llaves, 1,8,6, y 5. Como están en serie, junto con ia llave de igual (=) accionan ia cerradura eléctrica permitiendo ei acceso a la entrada deseada. Pero si se introduce otro número se activa un circuito de una sirena temporizada. La salida se entrega a la etapa amplificadora compuesta por el integrado 2002 cuya salida se entrega al parlante.





