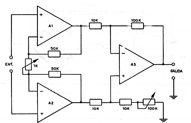
Este amplificador para instrumentación tiene ganancia 1000 y los operacionales pueden ser de tipos de uso general como el 741. La entrada es diferencial fluctuante y la fuente de alimentación debe ser simétrica. En este tipo de aparato se recomienda el uso de baterías solamente para evitarse el problema con los ruidos.

Amplificador Para Instrumentación



