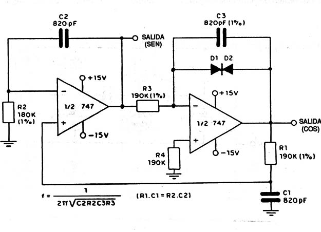
Este oscilador posee dos salidas que son desfasadas en 180 grados (función seno y coseno) y debe ser alimentado con fuente simétrica. Se usa un amplificador operacional doble, y su eficacia depende de la precisión de los capacitores y resistores.

Oscilador de Cuadratura



