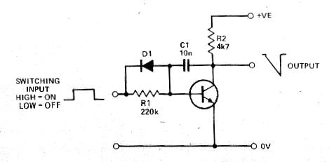
Los osciloscopios y muchos instrumentos emplean bases de tiempo que requieren una rampa lineal para su funcionamiento. Esta rampa puede ser generada por un circuito de Miller o diente de sierra lineal. En la figura siguiente tenemos uno de estos circuitos, sugerido por el Electronics Digest de 1984. Este circuito utiliza un transistor de uso general conmutador como el 2N2222 o incluso BC548 y funciona con tensiones de 9 a 12 V. La señal de entrada es rectangular y su frecuencia determina Básicamente el valor de C1 junto con R1 para la rampa decreciente deseada.




