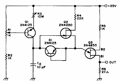
Encontramos este circuito en una documentación técnica de 1973. Los transistores comunes pueden ser los BC548 y el FET el BF245 o equivalente. El unijuntura puede ser el 2N2646. El pulso producido al final de la temporización se puede utilizar para disparar un SCR.




