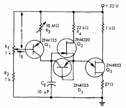
Este circuito fue obtenido en una publicación sobre timers de Motorola de 1974. Los transistores admiten equivalentes con el 2N2646 para los unijuntura y BC558 para los bipolares. La alimentación debe realizarse con 25 V y el capacitor de tiempo debe ser de excelente calidad, sin fugas.




