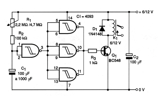
Cuando conectamos la alimentación del circuito mostrado en la figura el capacitor se encuentra descargado y con ello el pino 2 de la puerta conectada como inversora está prácticamente en el nivel lógico bajo. Esto significa que su salida está en el nivel alto. Esta salida está conectada a las otras tres puertas que funcionan como un buffer-inversor excitando el transistor. Con la entrada de estas tres puertas en el nivel alto, su salida permanece en el nivel bajo y con ello el transistor en el corte. El relé estará abierto en estas condiciones. Cuando la carga del capacitor alcanza el punto en que el puerto en el que está conectado reconoce como nivel alto, ocurre la conmutación y con ello la salida de los tres puertos utilizados como buffer va también al nivel alto, excitando el relé que cierra los contactos. La temporización es dada por el tiempo que el capacitor tarda para cargar de cero hasta aproximadamente 1/3 de la tensión de alimentación. Con un potenciómetro de 2,2 M ohms y un capacitor de 2 200 uF se pueden obtener temporizaciones de más de 1 hora.




