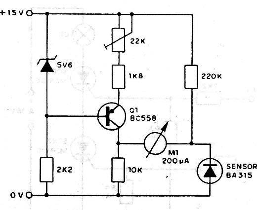
El sensor de este termómetro puede ser cualquier diodo de silicio de uso general, en especial el BA315. El instrumento de 200 µA tendrá una escala modificada conforme al ajuste del potenciômetro de 22k. En función de la sensibilidad del instrumento y de la escala deseada, el resistor de 220 k puede ser alterado.

Termometro com Diodo



