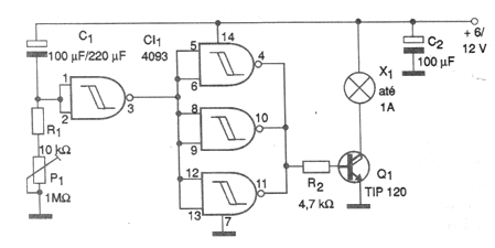
El temporizador mostrado en la figura enciende una bombilla incandescente común o LED de alto brillo con resistor limitador en serie, después de 2 a 200 segundos del accionamiento. El tiempo se ajusta en P1 y depende del valor de C1. El circuito entra en acción al ser alimentado. En lugar de la lámpara incandescente, se puede conectar un relé para que este circuito sea un automatismo de retardo. Los mayores se pueden obtener con el aumento de C1.




