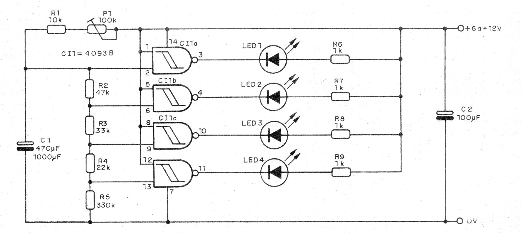
Este circuito hace que una secuencia de LED se encienda lentamente permitiendo el cronometrado de un pequeño intervalo de tiempo. El circuito funciona con las puertas del 4093 configuradas como comparadoras de tensión. El tiempo se ajusta en P1 y la alimentación puede ser hecha por las pilas pequeñas comunes. El condensador C1 determina el tiempo.




