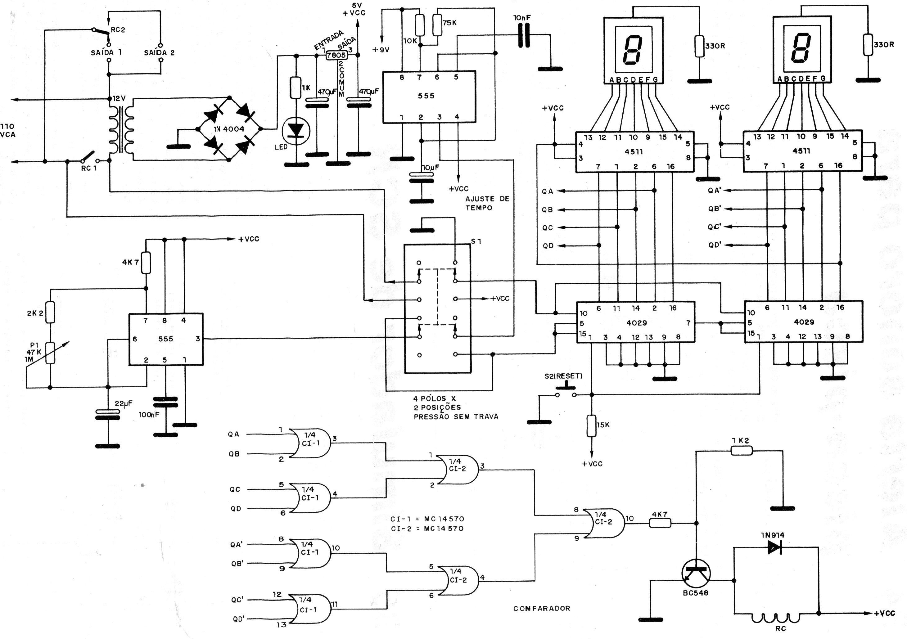
Este temporizador hace la cuenta atrás de los tiempos hasta que, al final activa un relé. El tiempo de programación se obtiene presionando S1 y S2 simultáneamente. Soltando S2 y manteniendo S1 presionada se obtiene el tiempo. El circuito tiene dos bases de tiempo, siendo una de 1 Hz y otra ajustable. El circuito ya incluye fuente y los displays son de cátodo común.




