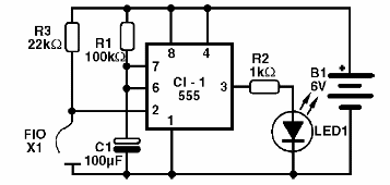
Con un toque en el cable sensor X1, que también puede ser un interruptor de presión, el LED se enciende por un tiempo que depende de C1 y R1. La constante de tiempo es 0,7 x R1 x C1, pudiendo ir hasta más de media hora con un condensador de 1 000 uF y una resistencia de 1M5. La alimentación se puede hacer con tensiones de 5 a 12 V. El LED puede ser de cualquier tipo o color. El 555 CMOS también puede ser empleado, obteniéndose un circuito de bajo consumo cuando en espera.




