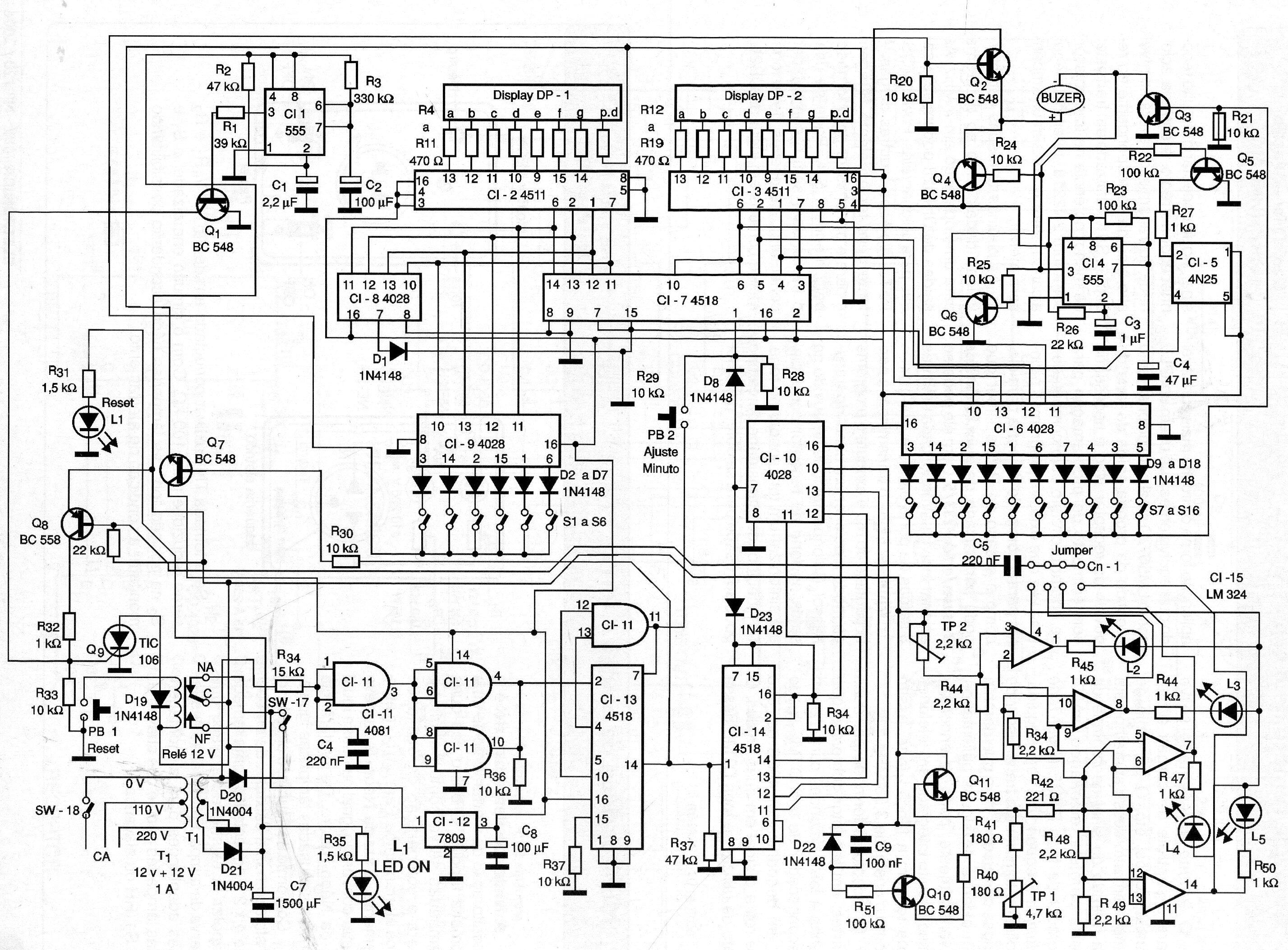
Evidentemente, el circuito también sirve para otras aplicaciones, como en el control de procesos químicos y otros. El funcionamiento es el siguiente: ajustar el tiempo final a través de la llave S1 a S16. Por ejemplo, para ajustar 5 minutos, cierre la clave S1 y S12. Después de cerrar la SW-17, lo que hará que la señal sonora toque aproximadamente 20 segundos indicando que el temporizador está encendido. El tiempo programado aparecerá en el display y luego un toque por un minuto. Tenemos un sensor formado por el diodo D22 (1N4148) que sirve de termómetro, y con ello se puede emplear para controlar la cocción de los frijoles. El procedimiento para el tiempo es el mismo. Se ajusta el tiempo para la cocción, por ejemplo 35 minutos. La llave S4 y S12 deben cerrarse y la llave S17 debe estar abierta. Colocar el sensor en el cable de la olla a través del imán. Entonces, cuando empiece a salir vapor en la válvula de la olla de presión el sensor hará el accionamiento del temporizador y la señal sonora sonará durante 20 segundos. Después del tiempo programado que aparecerá en los displays la alarma tocará por un minuto, indicando que el frijol está cocido. El sensor se puede construir de la siguiente manera: aísle los terminales del diodo y péguelo en un pedazo de imán con epoxi. Conecte con dos pedazos de cable al circuito. PB1 reseta el circuito, y L1 encendido indica que el circuito está en espera. PB2 cuando se presiona ajusta los minutos. El trimpot TP-1 ajusta la sensibilidad al disparo del relé y TP-2 ajusta el fondo de escala. Los displays son de cátodo común y el CI-12 (7809) debe estar dotado de radiador de calor. Los botones PB-1 y PB-2 son del tipo NA. Calibrando: tenemos cuatro niveles de temperatura. Para ello vamos a jumpear el pin 7 del CI-15 con el condensador C5, colocando la olla con agua en el fuego. Cuando empiece a liberar vapor, ajuste TP-1 para que el relé cierre sus contactos. Este ajuste debe ser hecho otras veces para qye el funcionamiento sea el esperado. TP-2 se debe ajustar para que L5 se encienda. Debe considerarse una tolerancia en el ajuste, ya que el disparo puede ocurrir unos segundos antes o después del inicio de la cocción. Si hay un anticipo del reloj en relación con la sincronización con la red, cambie el valor de C6. El transformador puede ser de 12 + 12 V con 1 A. Para utilizar el temporizador en el sistema automático para marcar el tiempo de cocción, deje la llave SW-17 abierta. Los LED L2 a L5 se encenderán a medida que aumenta la temperatura. SW-18 enciende y apaga el circuito y el buzzer es una bocina piezoeléctrica de 12 V. S1 y S6 forman el recuento de las decenas y S7 a S16b hacen el conteo de las unidades. (2006)




