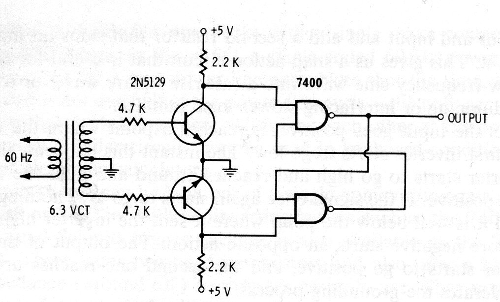
Esta base de tiempo TTL para 60 Hz o 50 Hz puede ser usada en circuitos de instrumentación o incluso con microcontroladores, sirviendo como escudo de precisión. El circuito se basa en puertas NAND del 7400 y dos transistores. La alimentación es de 5 V.




