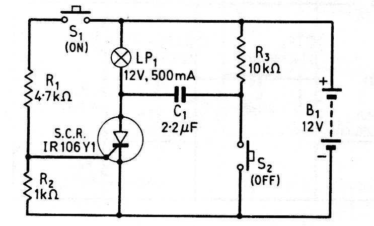
En la figura tenemos el modo de rearmar (apagado) un SCR usando un interruptor de presión en un circuito capacitivo. Sólo hay un toque momentáneo en el interruptor 2 para apagar el SCR disparado por S1. El circuito puede ser adaptado para operar como escudo, siendo enviado un pulso negativo de rearme a través de C1.




