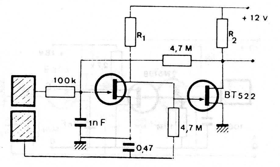
Los transistores de este circuito, a pesar de la representación son FETs de potencia, pudiendo ser usados equivalentes. El circuito es de una documentación francesa antigua y la alimentación debe ser de acuerdo con la carga. Nunca utilice fuente sin transformador para alimentar este circuito.




