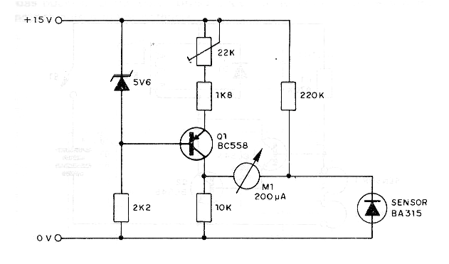
El sensor de este termómetro sensible es un diodo BA315. Si bien otros diodos pueden ser experimentados, éste fue el tipo que resultó en mayor sensibilidad para el circuito. Lo que tenemos es un puente que es, equilibrado por el diodo, a través de su resistencia inversa. Como esta resistencia depende de la temperatura, sus variaciones se reflejan en la corriente a través del instrumento indicador. El ajuste de la escala se realiza a través del trimpot. La alimentación se puede realizar con tensiones de 12 V a 15 V.




