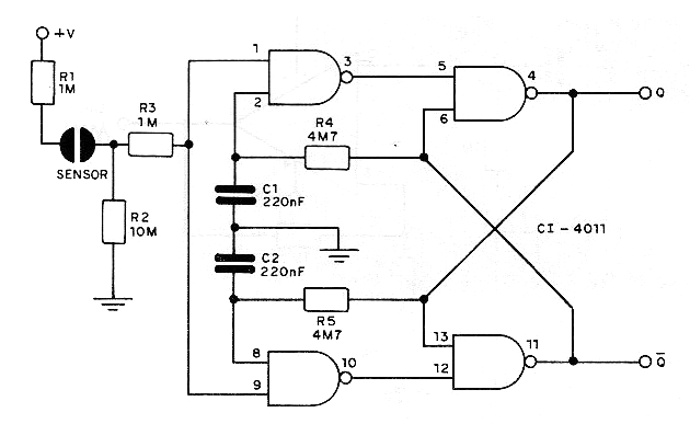
Las salidas de este circuito conmutan cada toque en el sensor. La sensibilidad depende de R2, cuyo valor puede ser cambiado según las necesidades. El sensor consta de dos planchas cercanas que se deben tocar simultáneamente. Las salidas Q y Q / son complementarias, es decir, cuando una está en el nivel alto la otra estará en el nivel bajo. La alimentación se realiza con el positivo en el pin 14 y negativo en el pasador 7 del circuito integrado, utilizando tensiones entre 3 y 12 V.




