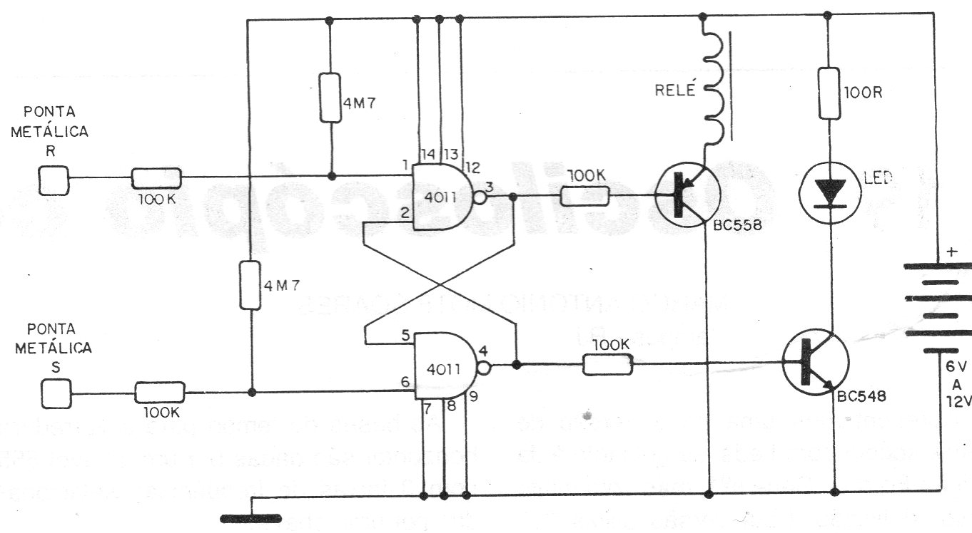
Este circuito fue encontrado en una publicación de 1987. Es un bautismo de toque que controla un relé. La alimentación puede ser de 5, 6 o 12 V según el relé utilizado. Nunca utilice fuente sin transformador para alimentar este circuito. El circuito tiene todavía un LED que indica cuando el relé está desactivado.




