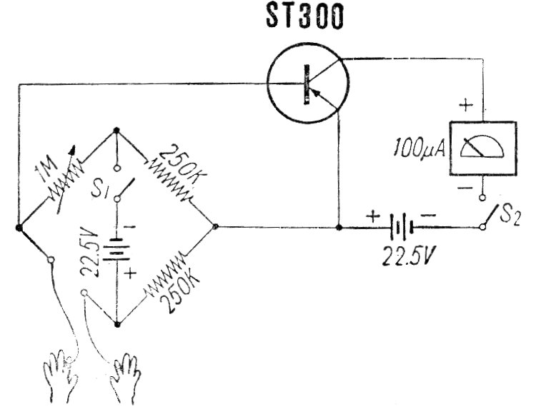
En realidad, este circuito encontrado en una publicación japonesa de los años 60, funcionará con cualquier transistor PNP de uso general. Y en lugar del indicador se puede utilizar un multímetro analógico común en una escala baja de corriente con un resistor de 1 k en serie. Con transistores más modernos la alimentación puede quedar entre 3 y 9 V.




