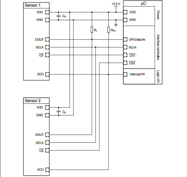
El circuito presentado es sugerido por Infineon que lo fabrica y que se puede encontrar en la Mouser Electronics. El sensor puede ser conectado en paralelo con otros del mismo tipo para lectura simultánea de diversas corrientes en cargas controladas, como muestra el circuito de la figura. El enlace para el datasheet es: https://www.mouser.com/ds/2/196/Infineon-TLI4970-D050T5-DS-v01_01-EN-1227877.pdf.




